Этот материал родом из детства. С ним мы учились плавать. Из него строили рыцарские замки, скрепляя куски пластилином. Растирали до шариков, а ветер разносил их по двору. Дворник зло ругался. Скрипели по стеклу, доводя девчонок из класса и учительницу. Мастерили поделки в школе, модели в кружках. Запускали кораблики в весенних лужах и ручьях. Имя ему – пенопласт. Став взрослее, хочется узнать, что такое пенопласт, какую роль он играет во взрослой жизни.


Что о нём уже известно
Что это такое – пенопласт? Основные свойства пенопласта известны давно и почти каждому. Лёгкий, белый, достаточно плотный, не совсем прочный. Часто применяется для упаковки бытовой техники, других товаров, изготовления рекламной продукции. Можно использовать его для повышения плавучести судов, а можно как уплотнитель. Менее наглядное, но не менее важное применение пенопласта – это утепление зданий и сооружений, как вновь возводимых, так и введённых в эксплуатацию. Многие имеют на него виды, решив утеплять дом, но не многие знают о нём так много, чтобы принять обоснованное решение.


Изучим производство
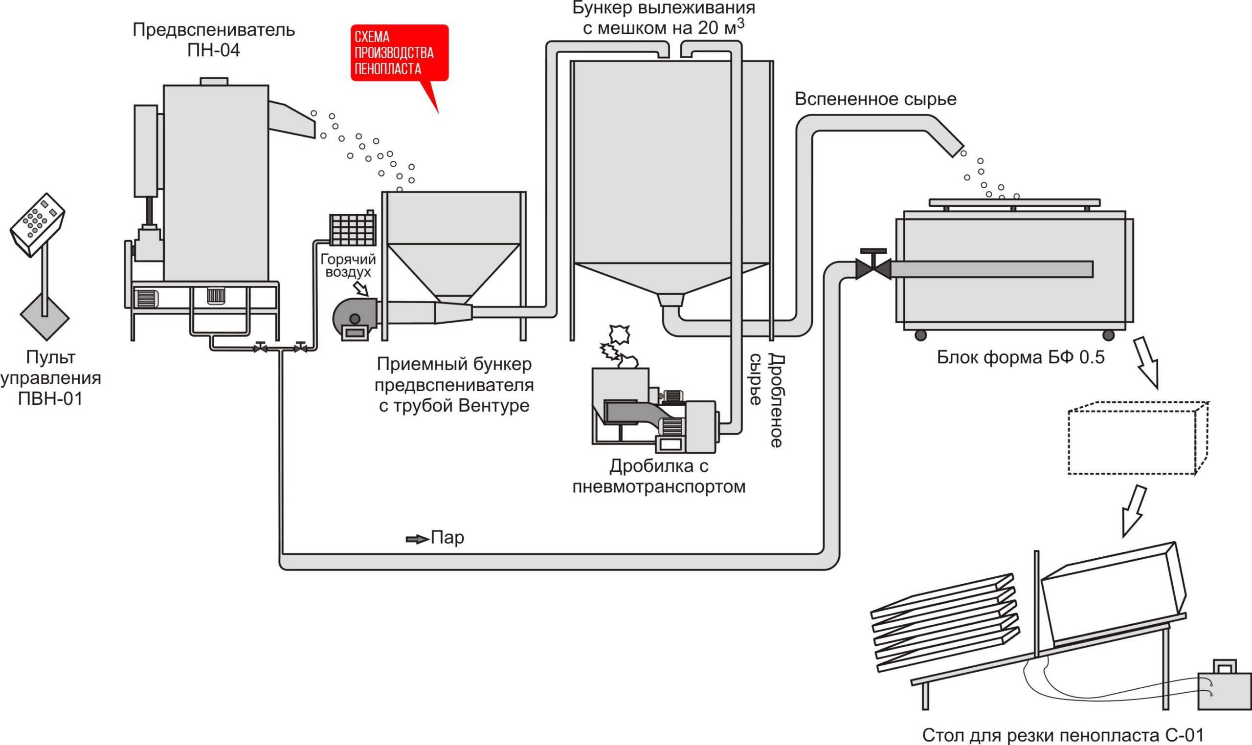
Производят пенопласт (вспененный пенополистирол) по следующей технологии. В основном составе пенопласта, наполненные инертным газом капсулы стирола. Они обрабатываются горячим паром. При этом одновременно происходит два процесса:
- многократное увеличение объёма капсул за счёт расширения газов при нагревании;
- спекание капсул в единый формованный пласт.
После остывания пласты пенопласта поступают на порезку, затем упаковку.


Это надо узнать
В результате температурного расширения исходного материала 98% объёма материала занимает газ, заключённый в объёмах гранул, только 2% стирол. Благодаря этому соотношению пенопласт по свойствам удовлетворяет большинство потребителей. Закрытые непроницаемой оболочкой объёмы определяют основные полезные эксплуатационные характеристики пенопласта.
Газы в неподвижном состоянии являются крайне стабильной средой, полностью исключающей передачу тепла от источника к окружению.


В пенопласте потеря тепла происходит только через стирольную оболочку газовых шаров. В абсолютном выражении она составляет ничтожную малую цифру. Это очень важная для пенопласта характеристика.
Пенопласт практически не поглощает влагу из окружающей среды. Даже при резке листов не происходит разрушение крайних гранул. Вода может проникнуть внутрь только при полном погружении листа в жидкость. В реальной жизни такие условия создать крайне сложно, даже при утеплении заглубленных фундаментов.
Физическая плотность пенопласта не велика. Это позволяет одному человеку с лёгкостью проводить погрузочно-разгрузочные работы, осуществлять монтаж и укладку материала.


Низкая степень пожарной опасности определена практическим отсутствием сгораемого материала. Добавление в состав связующих компонентов антипиренов значительно уменьшают время самостоятельного горения вещества. Воспламенение утеплителя возможно только при наличии наружного источника тепловой энергии. Пенопласт горит незначительное время и не распространяет горение по своей поверхности. Температура возгорания термоизолятора почти 500оС, что почти в два раза больше этого показателя у дерева. Пенопласт с такой характеристикой не сильно понизит степень огнестойкости сооружения.
Однажды, мы уже более подробно говорили о влиянии пенопласта на здоровье человека.
Низкая паропроницаемость у пенопласта является как положительной, так и отрицательной характеристикой. Плюсом является возможность не создавать при его укладке паропроницаемый барьер. Минус может проявиться при нарушении технологии монтажа. В этом случае, под пенопластом будет образовываться скопление влаги, что может привести к разрушению слоя утеплителя и материала конструкции.
Пенопласт химически пассивен ко многим строительным материалам и растворам.
Он не распространяет внутри себя и по своей поверхности грибок и другие микроорганизмы. К нему абсолютно равнодушны грызуны и насекомые. Они не употребляют его в пищу, не строят в нём свои жилища.
Экологическая безопасность утеплителя на «высоте». Работать с ним можно не использую никаких средств защиты кожи, органов дыхания и зрения.


Очень чувствителен пенопласт к воздействию на него солнечных лучей. Под влиянием ультрафиолета структура пенопласта разрушается. При утеплении пенопластом стен необходимо проводить его оштукатуривание.
Эти характеристики пенопласта позволяют повсеместное использование его в качестве термоизоляционного материала.
Только цифры
Пенопласт как утеплитель имеет технические характеристики сопоставимые с оценочными показателями брендовых утеплителей. Численные показатели только подтверждают его статус надёжного и долговечного утеплителя:
- плотность – от 8 до 35 кг/м3 (вес 1 м3 – 8 -35 кг);
- прочность на сжатие, при которой наступает 10% изменение линейного размера, в диапазоне 0,04-0,2 МПа (1 МПа – атмосферное давление);
- предел прочности при статическом изгибе, после которого наступает разрушение плиты – 0,06-0,35 МПа;
- количество возможной воды в объёме пенопласта – 1,8 – 4 %;
- время самостоятельного затухания после удаления источника зажигания – 3 секунды;
- показатели пожарной опасности – Г1 (слабо горючий), В2 (умеренно воспламеняемый), Д3 (с высокой дымообразующей способностью), Т4 (продукты горения чрезвычайно опасны);
- температура плавления – + 270оС
- коэффициент удельной теплопроводности – 0,040-0,043 единицы;
- эксплуатируется при температуре от – 60 до + 80оС;
- коэффициент паропроницаемости – 0,05 единицы;
- климатические зоны применения – I – V;
- зона влажности – любая;
- срок эксплуатации – 50 лет.
Виды пенопласта отличаются между собой плотностью, прочностью, что определяет сферу их применения.
У пенопласта технические характеристики универсального утеплителя, позволяющие использовать его в любых условиях при теплоизоляции любых конструкций.
Поэтому вопрос: «Какой использовать теплоизолятор?», не должен возникать.
Измеряем и упаковываем
По нормативному документу (ГОСТу) плиты пенопласта могут быть:
- толщиной через каждые 10 мм от 20 до 500 мм;
- длиной от 900 – 5000 мм с шагом 50 мм;
- шириной в диапазоне 500 – 1300 мм с разбегом в 50 мм.
Для удобства использования утеплителя производители выпускают плиты следующих линейных размеров:
- 500х500 мм;
- 1000х500 мм;
- 1000х1000 мм;
- 2000х1000 мм.
Наиболее часто производимые толщины листов: 20, 30, 50, 100 мм.
При утеплении крупного объекта, выпуска партии строительных конструкций возможно изготовление листов пенопласта размерами в соответствии с ГОСТом.
Заводская упаковка оберегает пенопласт от механических повреждений при транспортировке, позволяя ему сохранить свои эксплуатационные свойства. Высота упаковки не должна превышать 0,9 м (плиты толщиной 500 мм допускается упаковывать парами). Разрешается реализация пенопласта в неупакованном виде.
Надо сделать правильный выбор
Приобретая пенопласт, рекомендуется обратить внимание на следующие моменты:
- Где храниться пенопласт. Если складирование осуществляется на открытой площадке, то такой материал начал разрушаться под воздействием солнца и ветровых нагрузок.
- Цвет пенопласта. Он должен быть белый. Материал другого цвета свидетельствует о длительном хранении с нарушением технологии.
- Соответствие линейных размеров. Они должны соответствовать заявленным. Обратите внимание на соблюдение правильных геометрических форм, что поможет избежать нервотрёпки при монтаже.
С ним станет теплее везде
Диапазон свойств пенопласта как утеплителя позволяет использовать его при проведении работ по энергосбережению строительных конструкций, элементов, линейных объектов:
- Вертикальных, горизонтальных, наклонных;
- Фундаментов, стен (перегородок), перекрытий, кровель;
- Балконов и лоджий;
- Дорожек, дорог, взлётно-посадочных полос.
Установка пенопласта производится вплотную к утепляемым поверхностям.


Теперь зная, что такое пенопласт, можно с уверенностью заявить, что свойства новых теплоизоляционных материалов ещё долго не смогут существенно превзойти по характеристикам пенопласт как утеплитель. И каждый раз, встречаясь с ним, будете вспоминаться беззаботное детство.
Фото счастливого строителя с листом пенопласта.

